|
American
Extruded Products
4023 4th Avenue Beaver
Falls, PA 15010
(800) 949-4151 Phone: (724) 847-7124 Fax: (724) 847-7127
email: sales@amerexprod.com
 |
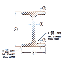
STANDARD*
|
DIM |
SIZE RANGE |
A |
1.00"-9.00" |
B |
1.00"-9.00" |
C |
0.188"
& LARGER |
D |
0.188 &
LARGER |
|
WELDED**
|
DIM |
SIZE RANGE |
A |
8.00"-18.00" |
B |
4.00-10.00" |
C |
0.188"
& LARGER |
D |
0.188 &
LARGER |
|
|
- Random
lengths or cut lengths.
- No
tooling charge on standard stainless structural.
*
If the configuration of A + B
dimensions exceeds a 6.5"
circle size, a minimum order
quantity of 15,000 lbs.may
be required depending
on the size.
**
Only one weld joins two
extended tees to create
a welded beam.
|
 |
STANDARD*
|
DIM |
SIZE RANGE |
A |
1.00"-9.00" |
B |
1.00"-9.00" |
C |
0.188"
& LARGER |
D |
0.188 &
LARGER |
|
WELDED
|
DIM |
SIZE RANGE |
A |
8.00"-18.00" |
B |
4.00-10.00" |
C |
0.188"
& LARGER |
D |
0.188 &
LARGER |
|
|
|
 |
 |
 |
 |
TEES |
ANGLES |
CHANNELS |
I-BEAMS |
|
  
|